





I. Vertical decontamination device
The vertical decontamination device is a straight-through decontamination device. The water enters the barrel from one side of the connecting pipe, and the other side of the connecting pipe is connected with a filter mesh tube in the barrel, which is composed of many small holes with a diameter of 3.5-4mm. Impurity particles in the water are filtered by the mesh and accumulated at the bottom of the cylinder, and the water without impurity particles flows out from the toilet changing nozzle through the filter mesh.
When discharging, open the discharge valve to discharge the impurities and dirt accumulated in the lower part. A valve should be installed between the inlet of the decontamination device and the pipeline. When discharging, the valve should be closed, and the drain valve should be opened, so that the water can flow out from the hole of the filter screen, so that the impurities attached to the outside of the mesh pipe can be washed away.
The working pressure of the vertical decontamination device is 1.0Mpa ..


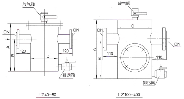
Second, the horizontal decontamination device
This horizontal decontamination device is a straight-through decontamination device, and its working principle is the same as that of the vertical decontamination device. Water enters the barrel from one side of the nozzle, and the other side of the nozzle is connected with the filter mesh tube in the barrel. The filter mesh tube is composed of many small holes with a diameter of 3.5mm.. Impurity particles in the water are filtered by the mesh and accumulated at the bottom of the cylinder, and the water without impurity particles flows out from the toilet changing nozzle through the filter mesh.
When discharging, open the discharge valve to discharge the impurities and dirt accumulated in the lower part. A valve should be installed between the inlet of the decontamination device and the pipeline. When discharging, the valve should be closed, and the drain valve should be opened, so that the water can flow out from the hole of the filter screen, so that the impurities attached to the outside of the mesh pipe can be washed away.
The working pressure of the horizontal decontamination device is 1.0-1.6Mpa.


Third, the cyclone cleaner
The working principle of the cyclone cleaner is designed based on the principle of rotary centrifugal separation. Water with a certain flow rate flows in from the side interface of the decontamination device, and after entering the cylinder, it forms a swirling flow around the cylinder, and impurities such as heavier sediment move outward to the inner wall of the cylinder under the action of centrifugal force and gravity, and whirl downward in the sewage trap at the lower part of the sunset, and the water flows upward from the filter screen of the central pipe, with a mesh diameter of 3.5-4mm.
When sewage is discharged, the accumulated dirt and impurities cannot be discharged by opening the lower card. The dirt adhering to the filter screen can be filtered by opening the cover of the observation hole.
The working pressure of the cyclone cleaner is 1.0-1.6 MPa.

